
乙醇流量計
- 品*:JKM/凱銘儀表
- 型號:JKM-LWGY
- 測量范圍:0.04~800m3/h
- 精度等級:0.5級、1.0級
- 公稱通徑:DN4~DN200
- 適用介質:水 油 醇 純凈液體
- 工作壓力:1.6~6.3MPa
- 工作溫度:-20~+100℃
- 供電方式:24VDC 3.6V鋰電池
- 訂貨號:AYF120726WPB
乙醇流量計產品介紹
液體渦輪流量計還有風速計、水表等。TUF由傳感器和轉換顯示儀組成,傳感器采用多葉片的轉子感受流體的平均流速,從而推導出流量或總量。轉子的轉速(或轉數)可用機械、磁感應、光電方式檢出并由讀出裝置進行顯示和傳送記錄。據稱美國早在1886年即發布過*一個TUF**,1914年的**認為TUF的流量與頻率有關。美國的*一臺TUF是在1938年開發的,它用于飛機上燃油的流量測量,只是直至二戰后因噴氣發動機和液體噴氣燃料急需一種高精度、快速響應的流量計才使它獲得真正的工業應用。如今,它已在石油、化工、科研、國防、計量各部門中獲得廣泛應用。
流量計中TUF、容積式流量計和科氏質量流量計是三類重復性、精確度*佳的產品,而TUF又具有自己的特點,如結構簡單、加工零部件少、重量輕、維修方便、流通能力大和可適應高參數等,是其他兩類流量計是難以達到的。
KM系列渦輪流量計是吸取了國內外流量儀表先進技術經過優化設計,具有結構簡單、輕巧、精度高、復現性好、反應靈敏,安裝維護使用方便等特點的新一代渦輪流量計,廣泛用于測量封閉管道中與不銹鋼1Cr18Ni9Ti、2Cr13及剛玉Al2O3、硬質合金不起腐蝕作用,且無纖維、顆粒等雜質,工作溫度下運動粘度小于5×10m/s的液體,對于運動粘度大于5×10m/s的液體,可對流量計進行實液標定后使用。若與具有特殊功能的顯示儀表配套,還可以進行定量控制、超量報警等,是流量計量和節能的理想儀表。

乙醇流量計工作原理


渦輪流量傳感器結構簡圖,由圖可見,當被測流體流過傳感器時,在流體作用下,葉輪受力旋轉,其轉速與管道平均流速成正比,葉輪的轉動周期地改變磁電轉換器的磁阻值。檢測線圈中的磁通隨之發生周期性變化,產生周期性的感應電勢,即電脈沖信號,經放大器放大后,送至顯示儀表顯示。渦輪流量計的流量方程可分為兩種:實用流量方程和理論流量方程。
(1) 實用流量方程
qv=f/K 公式1
qm=qvρ公式2
式中 qv,qm ……分別為體積流量,m/s,質量流量,kg/s;
f ……流量計輸出信號的頻率,Hz;
K ……流量計的儀表系數,P/m。
渦輪流量計的系數與流量(或管道雷諾數)的關系曲線,儀表系數可分為二段,即線性段和非線性段。線性段約為其工作段的三分之二,其特性與傳感器結構尺寸及流體粘性有關。在非線性段,特性受軸承摩擦力,流體粘性阻力影響較大。當流量低于傳感器流量下限時,儀表系數隨著流量迅速變化。壓力損失與流量近似為平方關系。當流量超過流量上限時要注意防止空穴現象。結構相似的TUF特性曲線的形狀是相似的,它僅在系統誤差水平方面有所不同。
傳感器的儀表系數由流量校驗裝置校驗得出,它完全不問傳感器內部流體機理,把傳感器作為一個黑匣子,根據輸入(流量)和輸出(頻率脈沖信號)確定其轉換系數,它便于實際應用。但要注意,此轉換系數(儀表系數)是有條件的,其校驗條件是參考條件,如果使用時偏離此條件系數將發生變化,變化的情況視傳感器類型,管道安裝條件和流體物性參數的情況而定。
(2) 理論流量方程
根據動量矩定理可以列出葉輪的運動方程
公式3
式中 J: 葉輪的慣性矩;
dw/dt: 葉輪的旋轉加速度;
M1: 流體的驅動力拒;
M2: 粘性阻力矩;
M3: 軸承摩擦阻力矩;
M4: 磁阻力矩。
當葉輪以恒速旋轉時,0,則M1=M2+M3+M4。經理論分析與實驗驗證可得
公式4
式中 n: 葉輪轉速;
qv: 體積流量;
A: 與流體物性(密度、粘度等),葉輪結構參數(葉片傾角、葉輪直徑、
流道截面積等)有關的系數;
B: 與葉片頂隙,流體流速分布有關的系數;
C: 與摩擦力矩有關的系數。
國內外學者提出許多理論流量方程,它們適用于各種傳感器結構及流體工作條件。至今渦輪儀表特性的水動力學特性仍舊不很清楚,它與流體物性及流動特性有復雜的關系。比如當流場有旋渦和非對稱速度分布時水動力學特性就非常復雜。不能用理論式推導儀表系數,儀表系數仍需由實流校驗確定。但是理論流量方程有巨大的實用意義,它可用于指導傳感器結構參數設計及現場使用條件變化時儀表系數變化規律的預測和估算。
乙醇流量計產品特點


1.高精確度,一般可達±1%R、±0.5%R,高精度型可達±0.2%R;
2.重復性好,短期重復性可達0.05%~0.2%,正是由于具有良好的重復性,如經常校準或在線校準可得到極高的精確度,在貿易結算中是優先選用的流量計;
3.輸出脈沖頻率信號,適于總量計量及與計算機連接,無零點漂移,抗干擾能力強;
4.可獲得很高的頻率信號(3~4kHz),信號分辨力強;
5.范圍度寬,中大口徑可達1:20,小口徑為1:10;
6.結構緊湊輕巧,安裝維護方便,流通能力大;
7.適用高壓測量,儀表表體上不必開孔,易制成高壓型儀表;
8.專用型傳感器類型多,可根據用戶特殊需要設計為各類專用型傳感器,例如低溫型、雙向型、井下型、混砂專用型等;
9.可制成插入型,適用于大口徑測量,壓力損失小,價格低,可不斷流取出,安裝維護方便。
乙醇流量計技術參數
1.公稱口徑:管道式:DN4~DN200
2.插入式:DN100~DN2000
3.精度等級:管道式:±0.5級,±1.0級
4.插入式:±1.5級、±2.5級
5.環境溫度:-20℃~50℃
6.介質溫度:測量液體:-20℃~120℃
7.測量氣體:-20℃~80℃
8.大氣壓力:86KPa~106KPa
9.公稱壓力:1.6 Mpa 、2.5Mpa 、6.4Mpa 、25Mpa
10.防爆等級:ExdIIBT4
11.連接方式:螺紋連接、法蘭夾裝、法蘭連接、插入式等
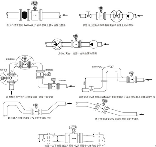
12.直管段要求:
氣體:上游直管段應≥10DN,下游直管段應≥5DN
液體:上游直管段應≥20DN,下游直管段應≥5DN
插入式:上游直管段應≥20DS,下游直管段應≥7DS(DS為管道實測內徑)
13.KM-LUGB乙醇流量計顯示方式:
(1)遠傳顯示: 脈沖輸出、電流輸出(配顯示儀表)
(2)現場顯示:8位LCD顯示累積流量,單位(m3)4位LCD顯示瞬時流量,單位(m3/h)、電池電量、頻率、流速
(3)溫度壓力補償型:
A、顯示標準瞬時流量及標準累計流量
B、顯示當前壓力、溫度、電池電壓
輸出功能:
(1)脈沖輸出,p-p值由供電電源確定
(2)4~20mA兩線制電流輸出
(3)單位體積脈沖輸出及傳感器原始脈沖輸出
(4)帶有RS485通迅接口
14.渦輪流量計類別
(1)插入式渦輪流量計
(2)氣體渦輪流量計
(3)智能渦輪流量計
(4)液體渦輪流量計
(5)卡箍式液體渦輪流量計
(6)防腐型渦輪流量計
(7)高精度渦輪流量計:高精度渦輪流量計是高品位的液體流量儀表,它是以瑞士流量**技術為基礎,轉子殼特殊的幾何組合引起的轉子徑向流與重量很輕的聚乙烯纖維轉子相結合,使轉子在中間浮動。高精度渦輪流量計由于轉子浮動測量過程中幾乎是無阻力的,從而保證渦輪流量計的高精度,線性度和耐久性。
(8) G系列GPI精密渦輪流量計:GPI G系列精密渦輪流量計精密型產品,精度高,重復性極佳。精密渦輪流量計適合高溫、高壓及較強腐蝕性場合;擁有3A衛生等級認證,是牛奶、釀酒、飲料等液體食品行業的*好佳選擇。
(9)G2系列工業級GPI渦輪流量:GPI G2系列工業級渦輪流量計是一種結構緊湊、模塊化、易于安裝、精度高、重復性好、非常適用的工業級產品。工業級渦輪流量計產品可廣泛應用于水處理、飲料、化工、制藥、油品等行業,作為計量、配料、控制等用途。
乙醇流量計選型

乙醇流量計安裝注意事項


乙醇流量計安裝注意事項

上一篇:濃堿流量計|防腐化工液體電磁式
下一篇:甲苯流量計|化工液體渦輪式


